Students are advised to practice the NCERT MCQ Questions for Class 12 Physics Chapter 3 Current Electricity with Answers Pdf free download is available here. MCQ Questions for Class 12 Physics with Answers are prepared as per the Latest Exam Pattern. Students can solve these Current Electricity Class 12 MCQs Questions with Answers and assess their preparation level.
Current Electricity Class 12 MCQs Questions with Answers
Solving the Current Electricity Multiple Choice Questions of Class 12 Physics Chapter 3 MCQ can be of extreme help as you will be aware of all the concepts. These MCQ Questions on Current Electricity Class 12 with answers pave for a quick revision of the Chapter thereby helping you to enhance subject knowledge. Have a glance at the MCQ of Chapter 3 Physics Class 12 and cross-check your answers during preparation.
Multiple-Choice Questions
Question 1.
Which of the following characteristics of electrons determines the current in a conductor?
(a) Drift velocity alone.
(b) Thermal velocity alone.
(c) Both drift velocity and thermal velocity.
(d) Neither drift nor thermal velocity.
Answer
Answer: (a) Drift velocity alone.
Question 2.
Kirchhoff’s junction rule is a reflection of
(a) conservation of current density vector.
(b) conservation of charge.
(c) the fact that the momentum with which a charged particle approaches a junction is unchanged (as a vector) as the charged particle leaves the junction.
(d) the fact that there is accumulation of charges at a junction.
Answer
Answer: (b) conservation of charge.
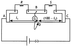
Question 3.
In a metre bridge the point D is a neutralb point as shown in the figure.

(a) The metre bridge will have at least two neutral points for this set of resistances.
(b) When the jockey contacts a point on metre wire left of D, current flows to B from the wire.
(c) When the jockey contacts a point on the metre wire to the right of D, current flows from B to the wire through galvanometer.
(d) When R is increased, the neutral point shifts to left.
Answer
Answer: (c) When the jockey contacts a point on the metre wire to the right of D, current flows from B to the wire through galvanometer.
Question 4.
Two cells of emfs approximately 5 V and 10 V are to be accurately compared using a potentiometer of length 400 cm.
(a) The battery that runs the potentiometer should have voltage of 8 V.
(b) The battery of potentiometer can have a voltage of 15 V and R adjusted so that the potential drop across the wire slightly exceeds 10 V.
(c) The first portion of 50 cm of wire itself should have a potential drop of 10 V.
(d) Potentiometer is usually used for comparing resistances and not voltages.
Answer
Answer: (b) The battery of potentiometer can have a voltage of 15 V and R adjusted so that the potential drop across the wire slightly exceeds 10 V.
Question 5.
A resistance R is to be measured using a meter bridge. A student chooses the standard resistance S to be 100 Ω. He finds the null point at l1 = 2.9 cm. He is told to attempt to improve the accuracy. Which of the following is a useful way?
(a) He should measure l1 more accurately.
(b) He should change S to 1000 Ω and repeat the experiment.
(c) He should change S to 3 Ω and repeat the experiment.
(d) He should give up hope of a more accurate measurement with a meter bridge.
Answer
Answer: (c) He should change S to 3 Ω and repeat the experiment.
Question 6.
The temperature co-efficient of resistance of a wire is 0.00125 °C-1. At 300 K its resistance is 1 Ω. The resistance of the wire will be 2 Ω at
(a) 1154 K
(b) 1127 K
(c) 600 K
(d) 1400 K
Answer
Answer: (b) 1127 K
Question 7.
Masses of three wires are in the ratio 1 : 3 : 5 and their lengths are in the ratio 5 : 3 : 1. The ratio of their electrical resistance is
(a) 1 : 3 : 5
(b) 5 : 3 : 1
(c) 1 : 15 : 125
(d) 125 : 15 : 1
Answer
Answer: (d) 125 : 15 : 1
Question 8.
A battery of internal resistance 4 Ω is connected to the network of resistances as shown. In order to give the maximum power to the network, the value of R (in Ω) should be

(a) 4/9
(b) 8/9
(c) 2
(d) 18
Answer
Answer: (c) 2
Question 9.
Two batteries A and B each of emf 2 volt are connected in series to external resistance R = 1 Ω. Internal resistance of A is 1.9 Ω and that of B is 0.9 Ω. What is the potential difference between the terminals of battery A?

(a) 2 V
(b) 3.8 V
(c) 0
(d) None of these
Answer
Answer: (c) 0
Question 10.
A potentiometer wire is 100 cm long and a constant potential difference is maintained across it. Two cells are connected in series first to support one another and then in opposite direction. The balance points are obtained at 50 cm and 10 cm from the positive end of the wire in the two cases. The ratio of emfs is
(a) 5 : 1
(b) 5 : 4
(c) 3 : 4
(d) 3 : 2
Answer
Answer: (d) 3 : 2
Fill in the blanks
Question 1.
The magnitude of ……………. current remains the same throughout the flow of current.
Answer
Answer: Steady
Question 2.
……………. current magnitude changes with time.
Answer
Answer: Varying
Question 3.
The current whose magnitude and direction change with time is called ……………
Answer
Answer: Alternating current
Question 4.
…………… velocity is the average velocity with which the free electrons get drifted inside a conductor under the effect of the electric field, opposite to the direction of the field.
Answer
Answer: Drift
Question 5.
…………. time is the time during which the electrons do not undergo collisions.
Answer
Answer: Relaxation
Question 6.
The value of drift velocity is very small, of the order of ……………..
Answer
Answer: 0.1 cm s-1 to 1.0 cm s-1
Question 7.
The relation between drift velocity and electric field is ……………
Answer
Answer: vd = \(\frac { eE }{m}\) τ
Question 8.
……………. of electron is defined as the drift velocity gained by an electron per unit electric field.
Answer
Answer: Mobility
Question 9.
The current per unit cross-sectional area is called current …………….
Answer
Answer: Density
Question 10.
An electron travels along a …………… line in the absence of an electric field.
Answer
Answer: Straight
Question 11.
An electron travels along a …………… line in the presence of an electric field.
Answer
Answer: Curved or parabolic
Question 12.
Electric current flowing through conductor is …………… proportional to the drift velocity.
Answer
Answer: Directly
Question 13.
When a wire of resistance R is drawn to n times the original length, then its resistance becomes …………..
Answer
Answer: n²R
Question 14.
………….. depends only on the nature of material of the conductor and not on the dimensions of the conductor.
Answer
Answer: Resistivity
Question 15.
Resistivity of an ……………. is greater than the resistivity of its constituents.
Answer
Answer: Alloy
Question 16.
The resistance of a resistor marked with bands of colour yellow, violet, brown and gold is ………….
Answer
Answer: 470 Ω ± 5 %
Question 17.
When resistors are connected in series, the net resistance is the …………… of individual resistances.
Answer
Answer: Sum
Question 18.
When resistors are connected in parallel, the reciprocal of net resistance is the sum of the ……………. of individual resistances.
Answer
Answer: Reciprocal
Question 19.
When resistors are connected in series, the …………… through each resistor is same.
Answer
Answer: Current
Question 20.
Current in the circuit is ……………. of the relative positions of the resistors in series.
Answer
Answer: Independent
Question 21.
A cell of emf E and resistance r is connected across an external resistance R. The potential difference across the terminals of a cell for r = R is …………..
Answer
Answer: E/2
Question 22.
A Wheatstone bridge is most sensitive when all the resistances are of ……………
Answer
Answer: Same order
Question 23.
As per Kirchhoff’s II law, the algebraic sum of emfs is equal to algebraic sum of product of ……………
Answer
Answer: Current and resistance
Question 24.
A battery of emf 2 volt and internal resistance 0.1 Q is being charged with a current of 5 A. The p.d. between the two terminals of the battery is …………. volt.
Answer
Answer: 2.5
Question 25.
In a Wheatstone bridge, the balance of the bridge is not affected on ……………. the positions of the battery and the galvanometer.
Answer
Answer: Interchanging
Question 26.
The potential difference of the cell in an open circuit is called ……………
Answer
Answer: emf
Question 27.
The emf of the cell is always …………….. than the terminal potential difference of the cell when current is drawn from the cell.
Answer
Answer: Greater
Question 28.
In series combination of cells, the net emf is the ………….. of the emf of individual cells.
Answer
Answer: sum
Hope the information shared regarding the NCERT MCQ Questions for Class 12 Physics Chapter 3 Current Electricity with Answers Pdf free download is true and genuine as far as our knowledge is concerned. If you feel any information regarding CBSE Class 12 Physics Current Electricity MCQs Multiple Choice Questions with Answers is missing do reach us and we will look into it and add it accordingly.